Email Us
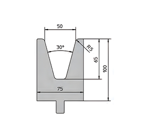
TRUMPF/WIFA Press Brake Tooling

TRUMPF/WIFA Press Brake Tooling

TRUMPF press brake tooling refers to molds manufactured by TRUMPF of Germany. As a highly professional and innovative company in the fields of metal processing, TRUMPF press brake tooling mold products are widely used in sheet metal processing and other industries.

Different Types of TRUMPF/WIFA Press Brake Tooling

TRUMPF/WILA Tooling Solutions for High-Precision Bending

Why Choose
TRUMPF/WILA Tooling Solutions for High-Precision Bending

TRUMPF/WILA Tooling Solutions for High-Precision Bending

  • As a world-renowned provider of industrial manufacturing solutions, TRUMPF press brake tooling has extensive experience and advanced technology in sheet metal processing—with attention to the entire tool lifecycle, including standardized press brake tooling storage that complements its high-quality production.



  • From raw material procurement to finished product delivery, every link follows strict quality standards.


  • Use advanced CAD/CAM technology to accurately simulate and optimize the structure and size of the mold.


  • High-precision processing equipment, such as five-axis linkage machining centers, are used to perform ultra-precision processing on molds.


  • Based on real-time monitoring data, the control system uses advanced algorithms to automatically compensate and adjust the working parameters of the mold.


Advantages of Using TRUMPF/WILA Tooling for Automated Press Brakes

Design flexibility
Design flexibility

TRUMPF press brake tooling for sale can design molds that can produce unique shapes and ultra-thin wall thicknesses, helping companies launch more competitive products—with the high-performance press brake tooling for sale delivering technical advantages that elevate product differentiation in the market.

High precision
High precision

TRUMPF press brake tooling can control dimensional accuracy at the micron level, ensuring that each component can perfectly fit the overall structure of the mobile phone.

High durability
High durability

Select high-quality mold steel, which has excellent wear resistance, corrosion resistance and compressive strength.

High production efficiency
High production efficiency

The mold can achieve fast switching and efficient operation during installation, commissioning and production, greatly shortening the production cycle of a single product.

Factory direct prices, customized services, product details, please contact us!
Our experts will solve them in no time.
Anhui Harting Machinery Technology Co., Ltd. is a manufacturer and exporter specializing in sheet metal processing industry established in 2012.
To Know More
Address
S314 Liaohe East Road, Bowang District, Ma'anshan City, Anhui Province