Email Us

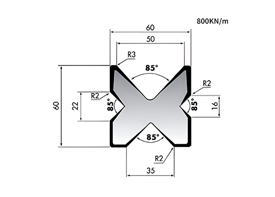
Mult-V Dies 85°/60mm

HT0001
Tooling systemHT-Amada System
Die opening
Intake radius0.8mm
Heignt60mm
Load800 kN/m max
Meterial42CrMo4
Hardness47-50HRC



Features of Mult-V Dies 85°/60mm


  • QUALITY: use of the optimum materials

  • CONSULTATION: competent and qualified advice

  • ACCESSIBILITY: reliable clearing and delivery

  • KNOW-HOW: more than 30 years of experience


Factory direct prices, customized services, product details, please contact us!
Our experts will solve them in no time.
Anhui Harting Machinery Technology Co., Ltd. is a manufacturer and exporter specializing in sheet metal processing industry established in 2012.
To Know More
Address
S314 Liaohe East Road, Bowang District, Ma'anshan City, Anhui Province